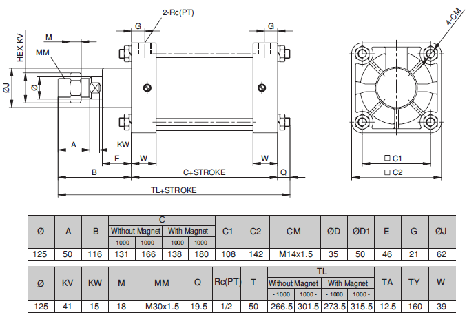
Xy lanh Parker GDC-N125x400
Liên hệ
Liên hệ 094 788 1820
Hãng sản xuất: Parker
Dạng xy lanh: Xy lanh vuông
Dòng series: GDC Series Parker
Đường kính xy lanh: 125mm
Hành trình: 400mm
Danh mục sản phẩm:
Xy lanh
Download:
English
.png)


