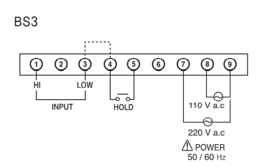
Đồng hồ Đo Amper AC Hanyoung BS3-NA2010
786,000 VNĐ
Liên hệ 094 788 1820
Hãng sản xuất: Hanyoung
Dòng series: BS Series
Nguồn cấp: 100-240VAC
Danh mục sản phẩm:
Đồng hồ đa chức năng
English
.png)