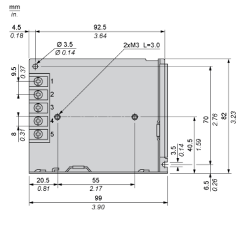
Bộ nguồn Schneider ABL2REM24015K
515,900 VNĐ
Liên hệ 094 788 1820
English
.png)

